
Contenu à onglets
Description du produit
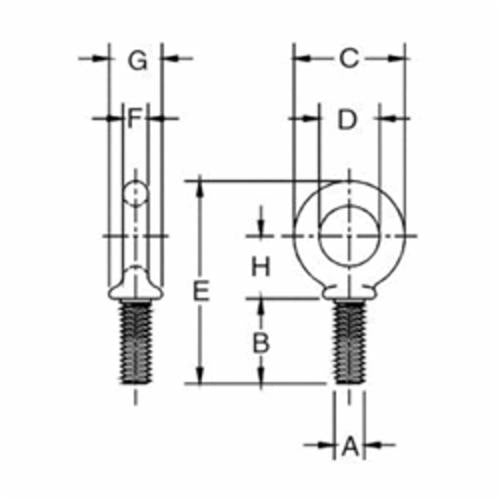
Acier forgé - Trempé et revenu. Les charges maximales d'utilisation indiquées concernent la traction en ligne. Pour les charges angulaires, voir les Avertissements et applications. Résistance à la fatigue évaluée à 1,5 fois la charge maximale d'utilisation à 20 000 cycles. Recommandé pour la traction en ligne. Filetage UNC S-279. Satisfait ou dépasse toutes les exigences de la norme ASME B30.26, notamment en matière d'identification, de ductilité, de coefficient de conception, de charge d'épreuve et de température. Il est important de noter que ces boulons répondent à d'autres exigences de performance critiques, notamment la résistance à la fatigue, les propriétés d'impact et la traçabilité des matériaux, non couvertes par la norme ASME B30.26.
| Specification | Value |
|---|---|
| Working Load Limit | 13 300 livres |
| Shank Length | 2-1/2" |
| Diameter | 1" |